Нюансы установки твердотопливного котла
В правильную схему подключения обязательно включается защита и трехходовой клапан. Именно благодаря этим элементам обеспечивается функциональной отопительной системы. Также предусматривается расширительный бак, датчик температуры, система с пластиковыми трубами.
Любой котел монтируется по заранее созданной схеме. Схема может быть с теплоаккумулятором, бойлером, гидрострелкой. Смесительный узел на проекте не указан, но обязательно предусматривается.
Настройка работы узла подмеса:
- Твердое топливо начинает разгораться, насос в рабочем режиме, клапан со стороны отопления закрыт. Жидкость передвигается по малому обороту через байпас.
- Температура на обратки повышается. Термоголовка по команде выносного датчика нажимает на шток клапана.
- При открытии клапана холодная вода просачивается в котел.
- При повышении температуры клапан полностью перекрывает бойпас.
Данный метод обвязки достаточно простой и позволяет легко соединить все детали. Но есть определенные правила на счет обвязки электрического дровяного котла полипропиленом или другим пластиком. От пиролизного котла до группы безопасности обязательно происходит монтаж металлическими трубами.
Подключение второго котла к твердотопливному
Одна из особенностей твердотопливных котлов — цикличность работы. В холодный котел загружается топливо, зажигается. Пока оно горит, идет очень активное выделение тепла. После прогорания закладки ждут остывания котла, его чистят, снова загружают топливо и цикл повторяется. Так работают котлы на дровах и угле. В некоторых из них есть возможность «догружать» топливо в процессе горения. Но сам цикл от этого не меняется — наступает период, когда необходимо дождаться остывания котла — для чистки и удаления шлака, золы и т.д.
Исключение из этого правила — котлы на пеллетах. Они также относятся к твердотопливным, но работать могут месяцами непрерывно. Главное — высокое качество гранул с низкой зольностью, их достаточное количество и налаженная подача. Чистить такие котлы необходимо не чаще одного раза в месяц, так что «технологические» остановки очень редки.
Последовательная схема включения двух котлов: ТТ и электро
Цикличность работы котлов на дровах и угле доставляет довольно много неудобств, одно из которых — остывание дома после затухания котла. В холодный период это действительно проблема. Решается она установкой комбинированного или второго котла, на другом виде топлива.
Комбинированные — это котлы, которые могут работать на нескольких видах топлива. Чаще всего к ТТ добавляют электрические нагреватели. Они включаются автоматически после того, как погаснет топливо. Работает электрическая часть обычно непродолжительное время, в период действия «ночных» тарифов, так что затраты возрастают не слишком, а комфортность повышается заметно. Минус такого решения — высокая стоимость таких агрегатов. Дешевле купить и установить два котла — твердотопливный и электрический, — чем приобрести один смешанный.
Параллельно или последовательно?
Если котлов два, то к системе их можно подключить один за другим — последовательно или параллельно. Оба варианта имеют достоинства и недостатки.
При последовательном подключении, схема обвязки твердотопливного котла проще, автоматики необходимо минимальное количество. Недостаток такого способа — второй котел остается в системе, нет возможности его отсечь. То есть, часть энергии расходуется «на обогрев» неработающего котла. Причем он имеет дымовую трубу, так что часть тепла просто «греет улицу», так как выводится через дымоход.
Параллельная — оборудования больше, но можно сделать так, чтобы «не греть улицу»
Эта схема хороша в том случае, если ТТ котел является основным, а электрический (или газовый) работает непродолжительный период времени — для поддержания температуры. «Пустые» затраты энергии есть, но они некритичны, так как масса этих котлов небольшая. Если же, наоборот, основной — газовый или электрический, а «резервный» — твердотопливный, расходы на обогрев неработающего котла будут ощутимы.
Подключение двух котлов через тепловой аккумулятор
При параллельном подключении электрокотла к твердотопливному, схема более сложная. Необходима автоматика, которая отслеживает понижение температуры в системе, краны с электроприводом, отсекающие остывающий котел по команде датчиков. А все это повышает стоимость, да еще обвязка твердотопливного котла становится более сложной.
Что подразумевается под обвязкой котла?
Все конструктивные части, располагающиеся между основными приборами отопительной системы и котлом, являются обвязкой. Многими она игнорируется, но это неправильно, так как только при правильной её организации можно решить основные задачи качественно обогрева жилья:
- правильная обвязка не допустит превышения максимально допустимых значений давления в системе отопления;
- из системы будет автоматически удаляться воздух, который сопутствует образованию пробок;
- на трубах и радиаторах не будет появляться окалина, шлак и прочий мусор, циркулирующий, совместно с теплоносителями;
- будет происходить компенсация избыточного теплового расширения;
- появляется возможность подключения нескольких контуров;
- можно выполнять подключения бойлеров для накапливания горячей воды с целью экономии тепловой энергии.
Обвязка котла отопления предназначена для обеспечения производительности, надёжности и безопасности отопительной системы в комплексе. Особого внимания заслуживают твердотопливные котлы без предустановленной системы автоматики. Только правильно проложенные трубы в такой отопительной системе способны обеспечить максимальную эффективность наравне с современным газовым устройством.
Что такое теплоаккумулятор
Но при эксплуатации агрегата на твердом топливе придется столкнуться с проблемой неоднородности получения тепловой энергии. Пока котел работает — дома тепло или даже жарко. Закончилось топливо – в доме становится холодно. Половина полученного тепла уходит в атмосферу, да и подкладывать дрова приходится часто. Поэтому задумались о том, чтобы сохранять избыточное тепло, а потом потихоньку отдавать его в систему отопления.
Эту проблему и решают, когда начинают эксплуатировать твердотопливный котел с теплоаккумулятором.
В странах Европы запрещено применение агрегатов тепловой энергии без буферной емкости, чтобы не было выбросов угарного газа в атмосферу.
Теплоаккумулятор — это емкость, чаще всего круглая цилиндрическая, наполненная водой, в зависимости от предназначения бывает разных модификаций.
В производственный вариант входят:
- основной корпус, который изготавливается из различных сплавов стали или из нержавейки;
- слой изоляции из базальтовой или минеральной ваты или пенополиуретана толщиной не менее 50 мм;
- наружная обшивка изготавливается или из окрашенного тонкого листового металла, или из чехла из полимерного материала;
- в основную емкость врезают патрубки для подвода и отвода теплоносителя;
- в более дорогих моделях внутри устанавливают змеевик для подогрева воды;
- термометр и манометр служат для контроля за температурой и давлением.
Иногда в тепловой аккумулятор встраивают блок электрических тенов с датчиками и подсоединяют солнечные батареи — это создает дополнительный комфорт при его использовании.
Цены на эти варианты высокие, поэтому народные умельцы чаще всего изготавливают буферные емкости своими руками.

Для чего нужен
Спектр применения аккумулятора тепловой энергии очень широк и определяется согласно модификации и применяемого вместе с ним оборудования.
Самое главное его предназначение:
- накопить как можно больше тепла, а потом, когда закончится топливо в основном теплогенераторе, отдать его в систему отопления;
- предотвращать резкие перепады температуры в системе, тем самым не допускать появления конденсата в котле.
Более современные и дорогие позволяют создать больший комфорт и больше возможностей:
- горячее водоснабжение в доме;
- использовать его вместо электрокотла, если установить в него электрические нагреватели.

Принцип работы
Перед первым использованием рекомендуется изучить схему работы котла и емкости.
Система работает так:
- Затопили котел.
- Нагретая вода попадает в теплогенератор, как бы заряжает его.
- Циркуляционный насос, установленный за емкостью, по трубопроводу, вмонтированному в верхнюю ее часть, доставляет теплоноситель к трубам отопления.
- Возвращаясь, остывшая вода поступает в нижнюю часть теплогенератора.
- Затем она поступает в котел.
- Закончилось топливо — потух котел.
- В работу вступает теплогенератор: при помощи циркуляционного насоса из верхней горячей зоны постепенно разносит сохраненное тепло по трубам и радиаторам.
Второй насос снабжают комнатным датчиком температуры, который при необходимости может отключить его, если температура превысит установленную для него температуру. Тогда котел будет нагревать только теплоаккумулятор. При понижении температуры воздуха в комнатах, включается насос, и вода снова будет нагревать батареи.

Применение аккумулятора тепловой энергии позволяет хозяину домовладения удовлетворить все его запросы.

Недостатки
У связки теплового нагревателя с тепловым накопителем недостатки, конечно, есть, но со временем покупатель поймет, что вложенные средства были потрачены не зря.

2 Основные виды котлов
Условно котлы по загрузке делятся на ручные и автоматические. При этом автономное оборудование с учетом применяемого топлива может быть:
- электрическое;
- твердотопливное;
- жидкотопливное;
- газовое.
К отопительным приборам ручной загрузки относятся твердотопливные котлы. В этом случае в качестве топлива применяются уголь, торф, дрова. Это оборудование нуждается в участии человека для загрузки горючего. Сохранение требуемой температуры теплового носителя также должно поддерживаться оператором. Котлы изготовлены в напольном варианте и имеют минимум устройств автоматики.
Установка с электрическим или газовым агрегатом
В одну систему отопления можно установить два теплогенератора, основной из которых является твердотопливным агрегатом, а дополнительный – котлом, работающим на газе или электричестве. Такой вариант удобен тем, что на ночь можно включать котел, функционирующий в автоматическом режиме. Газ в баллонах неудобно использовать в качестве основного энергоносителя из-за необходимости заботиться о регулярных поставках топлива. Электричество – самый дорогой энергоноситель и выгоднее всего эксплуатировать такой котельный агрегат только по ночам, если в регионе действует система дешевых ночных тарифов.
Как подключить твердотопливный и газовый котлы в одну систему для отопления большого дома? Самый простой вариант – подсоединение двух теплогенераторов параллельно через теплоаккумулятор, который будет дополнительно выполнять функцию гидравлического разделителя.
Газовый котел функционирует в режиме ожидания, пока вода буферной емкости нагревается твердотопливным агрегатом. После прогорания топлива теплоноситель начинает остывать, и как только термодатчик передает соответствующий сигнал контроллеру газового агрегата, тот автоматически включается. При новом запуске твердотопливного теплогенератора происходит обратный процесс – нагрев теплоносителя выше определенной температуры приводит к отключению газовой горелки.
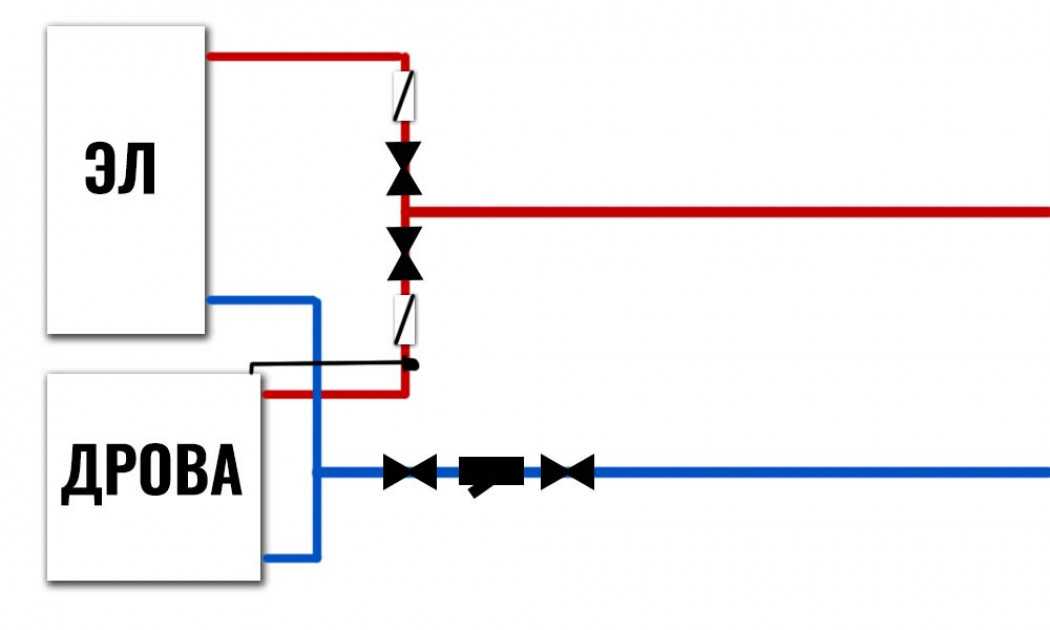
Систему с электрическим котлом в домах большой площади монтируют по аналогичному принципу. Но для небольших частных домов актуален более простой и дешевый вариант подключения ТТ и электрокотла(см. схему).
Схема подключения твердотопливного котла и электрокотла
Котельные агрегаты подсоединяются параллельно с установкой обратных клапанов на каждом выходе. Электрический котел снабжен встроенным циркуляционным насосом, который невозможно отключить, поэтому для твердотопливного теплогенератора необходимо подобрать более мощный насос, чтобы ТТ котел имел преимущество перед электрическим при совместном функционировании.
- термостатом, который отключает циркуляционный насос ТТ котла при остывании теплоносителя;
- комнатным датчиком температуры, который включает электрический котел, когда температура в помещении падает после прогорания топлива в ТТ агрегате.
Метод первичных и вторичных колец
Как подключить два котла в одну систему, используя минимальное количество электроники? Применение метода первичных и вторичных колец циркуляции позволяет выполнить совместную обвязку ТТ агрегата и электрокотла. Гидравлическое разделение потоков осуществляется без установки гидрострелки.
Вариант подлючения двух видов котлов к одной системе отопления
Оба котла, бойлер ГВС, а также все отопительные контуры, подключаются и подающим и обратным трубопроводом к единому циркуляционному кольцу – они является первичным. Минимальный перепад давлений обеспечивается за счет небольшого расстояния между каждой парой подключения (не более 300 мм). Напор насоса, установленного на главном контуре, обеспечивает движение теплоносителя по первичному кольцу, при этом на интенсивность потока не влияют насосы вторичных контуров (к которым подсоединены потребители тепла).
Чтобы система исправно функционировала, требуется выполнить сложные гидравлические расчеты и подобрать оптимальный диаметр трубопроводов для всех контуров
Также важно рассчитать производительность насосов. Реальная производительность насосного агрегата на главном контуре должен превышать расход теплоносителя на самом «объемном» вторичном контуре
Оба котла оснащаются отключающими термостатами, чтобы они могли работать, замещая друг друга.
Схема обвязки ТТ котла с естественной циркуляцией
Перебои с электричеством в нашей стране нередки, причем обычно они случаются в самую плохую погоду. Поэтому во многих селах и деревнях предпочитают делать системы отопления с естественной циркуляцией — гравитационные. Они работают независимо от наличия электроэнергии, так что дом без тепла не останется.
Подключение котла на твердом топливе в гравитационную систему отопления
Приведенная на схеме обвязка твердотопливного котла для гравитационной системы — самый простой из возможных вариантов. В системе обязательно наличие расширительного бака. Он необходим для компенсации теплового расширения: во время нагрева объем теплоносителя увеличивается, и он вытесняется в расширительный бак. В системах с естественной циркуляцией расширительный бак ставят открытого типа. Это обычная емкость, в которой находится некоторое количество теплоносителя (около половины объема или меньше). Чтобы теплоноситель меньше испарялся, на бак ставят крышку. А чтобы одновременно еще и отводить воздух из системы, поднимают его в самую высокую точку системы.
Принцип работы системы отопления с естественной циркуляцией
В системах этого типа теплоноситель движется благодаря уклону труб. Для обеспечения циркуляции котел должен находиться в самой нижней точке, все отопительные приборы — выше него. Кроме этого, приходится использовать трубы большого сечения — чтобы снизить сопротивление при движении теплоносителя.
От котла труба поднимается вверх, затем, постепенно понижаясь, труба подачи обходит все отопительные приборы. Обратка подключается с обратным уклоном — к котлу. Работает схема так: нагретый теплоноситель за счет высокой температуры поднимается вверх по вертикальной трубе, с небольшим уклоном идет подача (немного выше уровня радиаторов). Эта часть называется разгонная петля. Далее по наклонной трубе подачи, за счет силы гравитации и набранной скорости, обходит все отопительные приборы.
Основной принцип работы естественной циркуляции — перепад высот и разница температур
Проходя по трубам и радиаторам теплоноситель остывает. Остывший теплоноситель имеет большую массу, чем горячий. Более холодный теплоноситель стремится вниз, создавая давление. За счет этого и происходит циркуляция — нагретый теплоноситель стремится вверх, холодный — вниз. Но система работает только при правильно подобранном диаметре труб и их уклоне.
Что еще необходимо
В приведенной выше схеме есть масса недостатков:
-
Нет предохранительного клапана — это устройство ставят на выходе котла. С его помощью происходит сброс лишнего теплоносителя при его закипании. Если этот клапан не установить, возможен разрыв труб, радиаторов, теплообменника, расширительного бака (если он закрытого типа).
- Нет воздухоотводчика. Если система открытого типа (расширительный бак в этом случае просто емкость с крышкой), воздух может выходить через расширительный бак. Но при разветвленной системе необходимы дополнительные устройства для отведения воздуха на радиаторах.
Указанные два устройства обязательны, но еще желателен манометр и термометр. Они нужны для контроля за системой. Термометров желательно иметь два — на выходе и на входе котла. Чтобы можно было оценить эффективность работы системы, подстроить и отрегулировать теплоотдачу радиаторов.
Недостатки
Основное достоинство гравитационной схемы обвязки твердотопливного котла — независимость от наличия электроэнергии. Недостатков намного больше:
-
Невысокая эффективность и невозможность регулировки. Скорость движения теплоносителя в таких системах невысокая. Поэтому добиться высокой эффективности не получается. Регулировать ее тоже нет возможности. Так что подстроиться под погодные условия невозможно.
- Каждый раз когда система разогревается ( утром, например), температура теплоносителя в обратке очень низкая. Из-за этого образуется конденсат, разъедающий теплообменник. И бороться с этим нет возможности.
- Неэстетичность исполнения. Для обеспечения циркуляции трубы подачи должны располагаться выше радиаторов. Обвязка твердотопливного котла в гравитационной системе делается трубой 32 мм или более. Иногда подачу тянут над ними — на уровне метра (или чуть выше) от пола, иногда — пускают под потолком. А трубы имеют немалый диаметр, так что вид тот еще.
Все эти недостатки приводят к тому, что системы отопления с естественной циркуляцией делают все реже. Люди предпочитают сделать резервированное электропитание (поставить аккумуляторные батареи или/и генератор) и иметь более удобную и регулируемую систему отопления.
Что такое обвязка
Это возможно, если есть насос, которым закачивается теплоноситель и есть манометр, по которому можно контролировать создаваемое давление. На весь процесс уйдет максимум неделя.

Попытка принять душ или помыть посуду превращается в непрерывное сражение с кранами. Каждый из контуров комплектуется собственным насосом и в случае низкотемпературного контура трехпроходным клапаном, обеспечивающим рециркуляцию теплоносителя.

Но если нет уверенности в своих силах, то лучше сразу же обратиться за помощью к мастерам.

Однозначного ответа нет. Газовый работает до тех пор, пока дровяной агрегат не начнет прорабатывать следующую порцию топлива. Интересный вариант стыковки ТТ-котла с самодельным буферным резервуаром он же — бойлер косвенного нагрева без насоса продемонстрирован нашим в видеосюжете: Помогла статья?

Правильная обвязка газового котла отопления — схема и фото Если вас интересует, как делается правильная обвязка газового котла отопления, схема, приведенная на этой странице, поможет вам разобраться в этом вопросе. Обычно устанавливается недалеко от оборудования. Связано это с тем, что нередко в местах пайки внутренний диаметр заужается, а это создает ненужное гидростатическое напряжение и понижает КПД.
Подключения твердотопливных котлов.
В контур может быть включён и бойлер косвенного нагрева для подачи горячей воды в смесители рукомойников, душа и ванны. Обвязка двухконтурного котла отопления полипропиленом — схемы и фото Самая простая обвязка двухконтурного котла отопления полипропиленом, схемы, фото и рисунки которой представлены на этой странице, может быть сделана своими.
Такие системы не зависят от электроснабжения. Чтобы не произошёл перегрев котла, способный вывести оборудование из строя или даже привести к разгерметизации, котлы снабжают аварийными системами. Таким образом, двухтрубная система обеспечивает дом теплом более равномерно. Для контроля давления в системе.
Обычно для нагрева ГВС практикуется использование двухконтурного котла с проточным теплообменником. Подключение двухконтурного котла: 1. Гладкость труб, а также максимальная устойчивость к образованию нежелательного солевого налета дает возможность сохранять стабильный высокий показатель скорости постоянного передвижения теплоносителя в течение всего длительного срока активной эксплуатации. Расчет системы обогрева, требует привлечения квалифицированного специалиста теплотехника. Обвязка твердотопливного котла
Схема монтажа твердотопливного котла с циркуляционным насосом
Система с насосом может быть только закрытой. Преимущества принудительной циркуляции очевидны:
- высокая скорость движения теплоносителя, равномерный прогрев всех помещений;
- не требуются трубы большого диаметра;
- нет сложностей в монтаже трубопровода: не нужно соблюдать уклон, непринципиальна высота размещения мембранного бака.
Поскольку в системе с принудительной циркуляцией давление выше, требования к группе безопасности тоже повышенные.
Монтаж такого контура предусматривает возможность перехода на естественную циркуляцию в случае поломки насоса или перебоев с электроэнергией: насос подсоединяют параллельно, на байпасе с отсекающими вентилями. Магистральная труба и насос на байпасе
Со стороны обратной магистрали перед насосом устанавливают фильтр.
Коллекторная разводка
В длинном сильно разветвленном трубопроводе большого коттеджа одного насоса может не хватить. В этом случае их устанавливают два и даже больше, на каждый контур свой. Отдельно теплый пол, радиаторы, ГВС. Поскольку температура теплых полов исходно низкая (в пределах 50 градусов), можно ставить насос и на входе в контур.
Оптимальный вариант разводки для большого дома с несколькими контурами – коллекторная (лучевая). В каждый контур теплоноситель поступает от котла по собственной трубе. Тепло распределяется равномерно, жидкость не остывает, последовательно проходя всю систему.
Коллектор включает в себя минимум две гребенки, прямую и обратную. К торцам гребенок подходят соответствующие магистрали от котла, а к штуцерам на их корпусах параллельно подключаются прямые/обратные трубы контуров – радиаторы и теплые полы, разные этажи, подсобные помещения, ГВС – каждый со своим температурным режимом. Коллектор
На входе в коллектор устанавливают манометр и предохранительный клапан, с противоположной стороны на «горячей» гребенке – воздухоотводчик, на «холодной» – кран для слива теплоносителя из системы. Трубы оснащаются регулировочными кранами – это один из способов устанавливать разную температуру в контурах. В большом доме может быть несколько пар гребенок.
Еще один способ устанавливать разные режимы – гидрострелка. Поставленный вертикально отрезок трубы большого сечения соединяют с прямой трубой и обраткой котла, а к корпусу на разной высоте подключают контуры. Чем выше подсоединение, тем горячее теплоноситель.
В небольших контурах температуру можно регулировать следующим образом: свободные торцы гребенок соединяют байпасом с отсекающим вентилем. При открытии вентиля прохладная вода из обратки подмешивается в горячую из подающей трубы. Группа безопасности
Функции приборов контроля и безопасности:
- защита трубопровода от разгерметизации вследствие резкого повышения давления;
- защита от перегрева самого котла;
- регулировка температурного режима;
- предотвращение образования конденсата. Обычно это случается из-за слишком большой температурной вилки между подачей и обраткой. Оптимальная дельта температур – 20 градусов.
В эту группу приборов входят:
- предохранительный клапан для сброса избыточного давления/излишков теплоносителя;
- контрольный манометр;
- воздухоотводчик;
- аварийный теплообменник;
- регулировочная арматура, в т.ч. термостатические клапаны.
Схема подключения двух котлов с автоматическим управлением
Гидравлически ничем не отличается от ручной системы, кроме одной детали. При подключении двух котлов появляются два обратных клапана. Обратный клапан необходим для того, чтобы исключить паразитные потоки через неработающий котел. Вручную в этой системе ничего не нужно перекрывать. Магистрали всегда должны быть открыты. И в случае если один из котлов не работает, то насос второго котла неизбежно будет гнать теплоноситель через него. От места, где присоединяются котлы к системе, теплоноситель будет двигаться в сторону системы отопления и по малому кругу через неработающий котел. Сопротивление на участке с неработающим котлом намного меньше, чем сопротивление системы отопления. По участку с отключенным котлом теплоносители будут проходить впустую гораздо больше, чем по системе отопления, где будет ощущаться его дефицит. Решают эту задачу — обратные клапаны. Эту же задачу можно решить и путем гидрострелки, но тогда эту уже будет другая система и другие затраты. Обратные клапаны можно установить, например, на возвратной магистрали.
Важно! Клапаны должны работать навстречу друг другу, тогда теплоноситель от двух котлов будет двигаться только в одном направлении, в сторону системы отопления

Как удешевить выполнение обвязки
Как удешевить выполнение обвязки
Существует возможность удешевления схемы работы отопительной системы, а также усиления ее защиты от конденсата, если поставить специальный трехкодовый смесительный клапон, который не потребует подключения накладного датчика и термоголовки. В клапане уже имеется вмонтированный элемент, который настроен на одну и ту же температуру смеси в 55-60 градусов Цельсия.
Упрощенный смесительный элемент
Существует несколько моделей топливных аппаратов, которые помогут сэкономить при выполнении обвязки ТТ-котла. Монтаж данного элемента даст возможность поддерживать одну и ту же температуру смешанной воды на выходе. Упрощенные модели выпускают такие компании, как: Herz Armaturen, Danfoss, Regulus и другие.
Монтаж двух агрегатов
Для увеличения комфортности в доме, владельцы устанавливают сразу несколько источников тепловой энергии, функционирующих на разном оборудовании. В настоящее время особенно востребованы котлы, работающие на:
- дровах или природном газе;
- электричестве и твердом топливе
Два теплогенератора
Газовый и твердотопливный котлы следует подключать так, чтобы второй агрегат в случае необходимости мог заменить первый. Подобные требования возникают в случае выполнения обвязки электрического котла с дровяным. Выполнить обвязку не сложно. Для этого потребуется использовать буферную емкость, которая одновременно выполняет роль гидрострелки.
Подключение буферной емкости
За счет того, что между баками аккумулятора двух разных типов котлов существует промежуточная емкость, агрегаты могут обслуживать сразу же несколько отопительных систем: батареи, теплые полы, бойлер. К сожалению, такой вариант отличается высокой стоимостью.
Подключение к системе двух котлов
Основным агрегатом в такой ситуации будет дровяной котел. После того как дрова прогорят, а в доме станет прохладно, датчик зарегистрирует понижение температуры и автоматически включится. Если периодически не выполнять загрузку дров, уровень данного показателя очень быстро снизится.
Подсоединение котла к источникам питания
1. Подача отопления. 2. Горячая вода для бытовых нужд. 3. Газ. 4. Холодная вода к контуру ГВС.
5. Обратка отопления
При использовании баллонного газа обязательно используется редуктор, объединяющий группу баллонов
Электрокотёл нужно присоединить к сети. Котёл и клеммная коробка должны быть заземлены, все соединения выполняются медной проводкой с сечением не меньше указанного в техническом паспорте к оборудованию.

Котёл на твёрдом топливе всегда автономен и требует только присоединения труб отопления и горячего водоснабжения. Подключения к электрическим цепям питания требуют только блоки автоматического управления, если они задействованы.
Схемы подключения
Обвязать два разнотипных котла в одной тепловой схеме очень ответственный этап. Любая даже незначительная ошибка, кроме неэффективности работы теплового оборудования, может создать аварийную ситуацию в доме.
Расчет двухкотловой схемы подключения нужно поручить проектной организации, чтобы они могли подобрать наиболее оптимальную пару агрегатов с параллельной или последовательной обвязкой и вариантами управления: автоматическим или ручным.
Котлы с автоматическим управлением
С точки зрения гидравлики эта схема не имеет больших отличий от ручного принципа управления, только в ней устанавливается 2 обратных клапана.
Это требуется с целью исключения «паразитных» или холостых потоков теплоносителя через котлоагрегат, который находится в резерве. Такую проблему также решают путем установки гидрострелки. Обратные клапаны устанавливают на обратной магистрали, направленные друг на друга.
Для данной системы также потребуется термостат, отключающий насос для принудительной циркуляции. Когда в котле выгорит уголь, не будет никакого смысла циркулировать вхолостую воду через остановленный аппарат, тем самым создавая сопротивление для работы второго устройства.
Схема подключения 2-х котлов с ручным управлением
В этом варианте для согласованности работы котлоагрегатов нужна только запорно-регулирующая арматура. Все оперативные переключения между агрегатами выполняются руками оператора путем открытия/закрытия 2-х вентилей на линии обратного теплоносителя. Для полного прекращения движения горячей воды потребуется отключить 4-е вентиля, соответственно по паре на подаче и обратке.
В подобных схемах предусматриваю расширительные бачки для компенсации теплового расширения воды при нагреве котла из холодного состояния. Не рекомендуется в целях экономии оставлять один бак, поскольку он может не справится с нагрузкой во время работы двух котлов.
Последовательное и параллельное включение
Эти две общепринятые схемы обвязки двух котлов, работающих в паре.
Последовательная, предполагает поочередное включение агрегатов без дополнительных линий и узлов. При этом первый по ходу движения воды агрегат нагревает ее, а второй — догревает до нужной температуры.
Последовательная схема
Первый вариант применяется для небольших источников нагрева. На практике он встречается довольно редко и считается непрактичным, поскольку нельзя снять для ремонтных операций один агрегат, не нарушив работоспособность другого.
Такая схема будет неработоспособной при неисправности даже одного агрегата. Сегодня эта схема частично модернизирована за счет установки байпасных линий и дополнительной запорно-регулировочной арматуры.
Параллельное включение в единой обвязке разнотипных котлоагрегатов считается преимущественным и допускает установку гидрострелки и автоматического блока управления.
Параллельное подключение
Как подготовить помещение
Подготовительные работы перед установкой твердотопливного котла своими руками включают несколько направлений:
- подготовка надежной основы и заливка бетонного фундамента, если это необходимо;
- выполнение вентиляционных отверстий и зазора для дымохода в стене;
- изоляция легковоспламеняющегося пола и стен от возгорания с помощью листов металла, минерита, базальтового картона или асбестоцемента.
В котельной должна быть проведена линия электропитания. Она понадобится для подключения циркуляционного насоса и, возможно, автоматики самого котла.
Избавляться от деревянных элементов на стенах и полу не нужно. Если расстояние от твердотопливного котла до стены из дерева составляет менее 38 см, обшивку изолируют одним из указанных выше материалов. Такой же листовой материал необходимо разместить на полу внизу и в передней части котла так, чтобы он выступал на 80 см. Это защитит помещение от углей, вылетающих из открытой дверцы топки.
Рекомендации по устройству фундамента будут такими:
- Твердотопливные котлы с небольшой мощностью и весом до 200 кг можно устанавливать на цементную стяжку. Как правило, с такой нагрузкой она справляется.
- При массе до 300 кг монтаж твердотопливного котла осуществляют на армированную железобетонную стяжку с толщиной в 10-12 см. При массе более 300 кг потребуется отдельная фундаментная плита.
- Теплогенераторы, работающие на пеллетах, с подающим шнеком и электродвигателем нуждаются в особом типе фундамента, поскольку оказывают вибрационную нагрузку.
Если схема установки твердотопливного котла в частном доме предполагает наличие теплоаккумулятора и других тяжелых элементов, не нужно заливать отдельный фундамент под каждым из них. В данном случае делают единую бетонную стяжку толщиной 12 см, армированную прутьями, сечением 8-14 мм. Из арматуры делают сетку с ячейкой 20×20 см, которую кладут поверх подушки из хорошо утрамбованного гравия.
Коллекторная схема разводки отопительной системы
При большом количестве радиаторов отопления, расположенных на разных этажах, или при подключении «тёплого пола», лучшей схемой разводки является коллекторная. В контуре котла устанавливают минимум два коллектора: на подаче воды — раздающий, и на «обратке» — собирающий. Коллектор представляет собой отрезок трубы, в который врезаются отводы с вентилями для возможности регулирования отдельных групп.
Коллекторная группа
Пример подключения контура отопления и системы «тёплый пол» с помощью коллекторной группы
Коллекторную разводку называют также лучевой, так как трубы лучами могут расходиться в разные стороны по всему дому. Такая схема в современных домах одна из наиболее распространённых и считается практичной.






























